Replacement part, not OEM (Original Equipment Manufacturer)
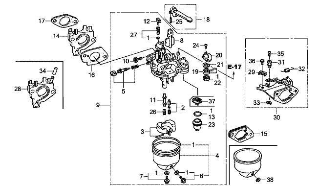
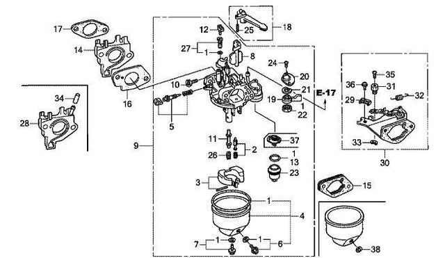
CARBURETOR REPAIR KIT for VILLIERS G270
The kit includes (see photos):
x 1 mixture screw
x 1 pole
x 1 main nozzle
x 1 butterfly stop screw
x 3 seals (2 small + 1 large)
x 2 springs
x 1 tube of emulsion

