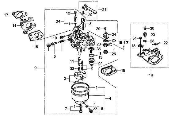
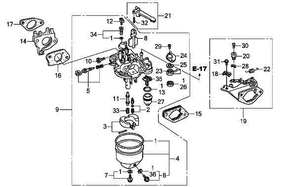
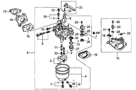
KIT REPARATION CARBURATEUR pour VILLIERS G300/G390/G420
KIT REPARATION CARBURATEUR pour VILLIERS G300/G390/G420 est en rupture de stock et sera expédié dès qu’il sera de retour en stock.
Livraison
Livraison
Livraison rapide et sécurisée.
Retour et garantie
Retour et garantie
14 jours pour changer d'avis
Pour tout savoir sur la garantie et les retours cliquez ici.
Pièce de rechange, Non FEO (Fabricant d'équipement d'origine)
Pièce de rechange, Non FEO (Fabricant d'équipement d'origine)
Pièce de rechange, Non FEO (Fabricant d'équipement d'origine)
KIT REPARATION CARBURATEUR pour VILLIERS G300/G390/G420
La kit comprend (voir photos):
x 1 vis de richesse
x 1 poiteau
x 1 glicleur principal
x 1 vis de butée de papillon
x 3 joints (2 petits + 1 grand)
x 2 ressorts
x 1 tube d'émulsion

